serg6033 писал(а):Вчера заезжал на тех. осмотр.
Так ты его сам проходить будешь, или так, для галочки???
serg6033 писал(а):Вчера заезжал на тех. осмотр.
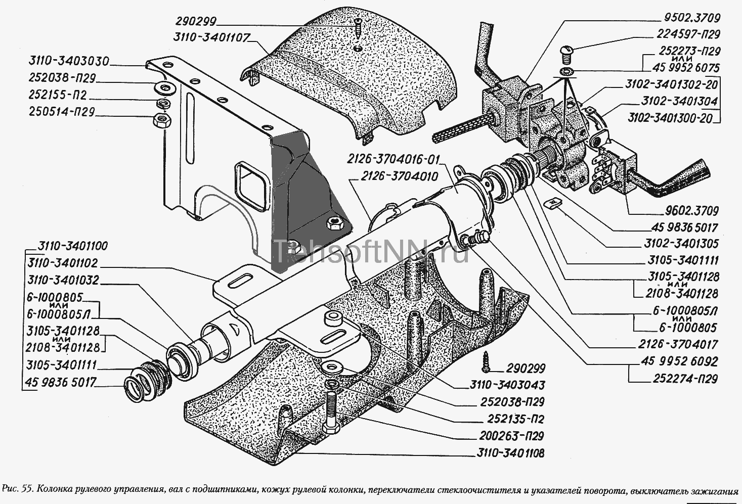
Лёнь, можно поподробнее об этом? Рисуночек накидай, если есть возможность- как и где усилить.руль "болтается" от неправильной конструкции кронштейна рулевой колонки,усиль его,путём наварки косынок по бокам,и ещё сделай упоры(на болтах) к моторному щиту,и всё станет ок.
Maxi-M писал(а):Сань, вот тут ты заблуждаешься, звезды как раз брать не надо. они цепь точат. башмаки онли.
Сейчас этот форум просматривают: нет зарегистрированных пользователей и гости: 2