Есть разница и дело не столько в двигателе (его пишут для удобства), сколько в мозгах (на крысу - сименс, на 406 - микас).
Пока работает, но может погореть.

Так сказали в магазине "Автосвет" г.Вязники.Saf777 писал(а):При чём тут приборка и мозги???




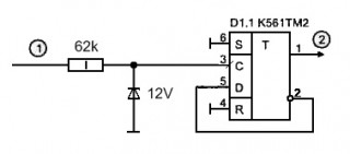
Вобщем тах кажет в два раза больше, установка сопротивления на 62 ком не помогает
нарыл вот такую схемку



Example626 писал(а):И не забудь по птанию конденсатор повесить.


чтоб убилась она нах... задолбала за сегодня
Вернуться в Автоэлектроника и автозвук
Сейчас этот форум просматривают: нет зарегистрированных пользователей и гости: 1